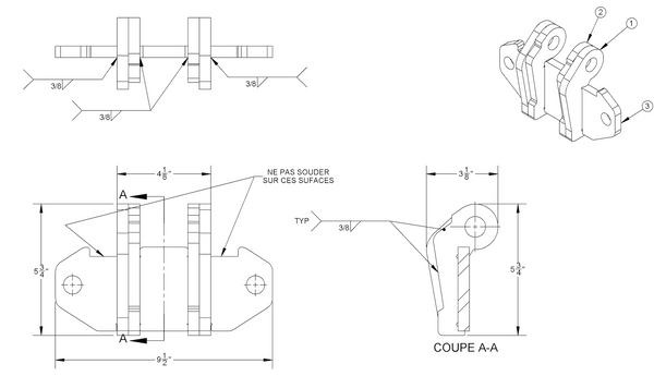
Metal Pless Part#: AP9/6-8D 012-16-0012 Double Pivot Bracket
$268.00
Shipping calculated at checkout.
Pivot bracket for 48" tall plows located by inner curb guard.
Metal Pless Part# 012-16-0012
This product is unavailable

